Sahtli küttekeha MDC 400p koos elektrilise küttevarda 9 kW
Herstellerinformationen
Name: Gema GmbH
Adresse: Anhaltinerring 17, 39429 güsten, Deutschland
E-Mail: verkauf@gema-net.de
Webseite: https://gemashop.de
Europäischer Hersteller: Ja
Tarneaeg Saksamaal
Pakett 1 - 3 päeva
Saatmine 3–5 päeva
Tarneaeg Euroopas
Pakett 3–5 päeva
Saatmine 5–7 päeva
Garanteeritud turvaline kassa

Sahtli küttekeha MDC 400p koos elektrilise küttevarda 9 kW
Täiskomplektne hetkeboiler MDC400P koos küttekehaga 9 kW – Tõhus küttelahendus teie süsteemile
Toote ülevaade
Täispakett ühendab endas mitmekülgse MDC 400P järelküttemooduli võimsa 9 kW küttepadruniga. See sobib ideaalselt olemasolevate küttesüsteemide paindlikuks täienduseks ja annab vajadusel usaldusväärselt lisasoojust.
Kiire paigalduse, väikese ruumivajaduse ja vastupidava konstruktsiooniga sobib see süsteem ideaalselt kasutamiseks uutes hoonetes, moderniseerimisel ja peamise kütteallika lühiajaliste rikete korral.
Kasutusalad ja rakendusalad
MDC 400P lisakütte moodul integreerub sujuvalt avatud ja suletud küttekontuuridesse ning seda saab kasutada nii pideva varuküttena kui ka avariiküttena. See aitab tõhusalt kasutada üleliigset energiat, näiteks fotogalvaanilistest süsteemidest, küttevajaduste rahuldamiseks.
Ideaalne süsteem nädalavahetuse ja suvilatesse kasutamiseks, tagades pideva soojusvarustuse isegi katelde, kondensatsioonkatelde või soojuspumpade hoolduse või rikete korral.
Tehnilised omadused ja seadmed
Moodulil on isoleeritud korpus, mis on valmistatud toorterasest ja millel on kaitsev, pulbervärvitud hall väliskest. 50 mm paksune polüuretaanvahust isolatsioon tagab seadme tõhusa töö ja pikaealisuse.
Varustatud 1 1/2" Kütteelemendi sisekeermega ühendus pakub paindlikke kasutusvõimalusi, maksimaalne töötemperatuur 90 °C ja töörõhk kuni 10 baari tagavad ohutu kasutamise.
Jõudlusvariandid ja minimaalne vooluhulk
Täiskomplekti küttekassett on saadaval erinevates võimsusklassides, mis on spetsiaalselt loodud võimsustele 1,5 kW, 2,0 kW, 3,0 kW pingel 230 V ning 4,5 kW, 6,0 kW ja 9,0 kW pingel 400 V. Need variandid võimaldavad optimaalset kohandamist küttesüsteemi individuaalsete energiavajadustega.
Minimaalsed voolukiirused – 86 l/h 1,5 kW puhul, 114 l/h 2,0 kW puhul, 171 l/h 3,0 kW puhul, 257 l/h 4,5 kW puhul, 343 l/h 6,0 kW puhul ja 514 l/h 9,0 kW puhul – tagavad tõhusa soojusülekande ja sujuva töö isegi erineva soojusvajaduse korral.
Eelised ja lisaväärtus
Madalate soetuskulude ja lihtsa paigaldusega pakub süsteem märkimisväärset lisaväärtust. Selle kompaktne disain ja vastupidav konstruktsioon muudavad selle eriti atraktiivseks kitsastes paigaldusruumides ja kiireks kasutuselevõtuks.
Olgu tegemist taastuvenergia süsteemide täiendusena või usaldusväärse avariilahendusena, parandab tervikpakett energiatõhusust ja suurendab jätkusuutlikult elumugavust.
Küttekassett – tõhus lisaküte sooja vee ja kütte jaoks
9 kW küttekassett on spetsiaalselt loodud kasutamiseks tarbevee ja joogivee mahutites. See tagab täpse temperatuuri reguleerimise ja seega pideva soojusvarustuse nii elamutes kui ka ärihoonetes.
Tänu kvaliteetsele roostevabast terasest ja vastupidavast plastist valmistatud tööle on küttekassett mitte ainult vastupidav, vaid ka korrosioonikindel ja kõrgetele temperatuuridele vastupidav.
Kvaliteetsed materjalid ja ohutus
Roostevabast terasest konstruktsioon ja Alloy 825 küttespiraali kasutamine tagavad kõrgeima materjalikvaliteedi. Valge plastkorpus rõhutab samuti toote atraktiivset välimust.
Integreeritud termostaadikorpus võimaldab täpset temperatuuri reguleerimist vahemikus 5–75 °C, samas kui ohutustemperatuuri piiraja 93 °C juures pakub täiendavat kaitset ülekuumenemise eest.
Lihtne paigaldus ja usaldusväärne kaitse
Küttekasseti lihtne integreerimine olemasolevatesse mahutitesse on võimalik tänu 1 1/2" Toetatud on väliskeermega ühendus ja kompaktne 735 mm paigalduspikkus. 1,5 meetri pikkune ühenduskaabel võimaldab ka lihtsat toiteallikat.
Lisaks vastavad mõlemad komponendid asjakohastele ohutusstandarditele: järelküttemoodulil on IP44 kaitseklass, samas kui küttekassett on IPX4 kohaselt pritsmekindel. Maksimaalse töörõhuga 10 baari sobivad mõlemad lahendused ideaalselt nõudlikeks töödeks.
Kokkuvõte: kõrgeima kvaliteediga tõhus küte
Täispakett, mis koosneb MDC400P järelküttemoodulist ja 9 kW küttekassetist, ühendab endas mitmekülgsed rakendusvõimalused kaasaegse tehnoloogia ja kasutusmugavusega. See pakub paindlikke küttelahendusi laia valiku rakenduste jaoks ja garanteerib usaldusväärse toe just siis, kui see on kõige olulisem.
Kvaliteetsete materjalide, energiatõhusa töö ja lihtsa paigaldusega on see süsteem ideaalne lahendus olemasolevate küttesüsteemide mugavuse ja funktsionaalsuse jätkusuutlikuks optimeerimiseks.
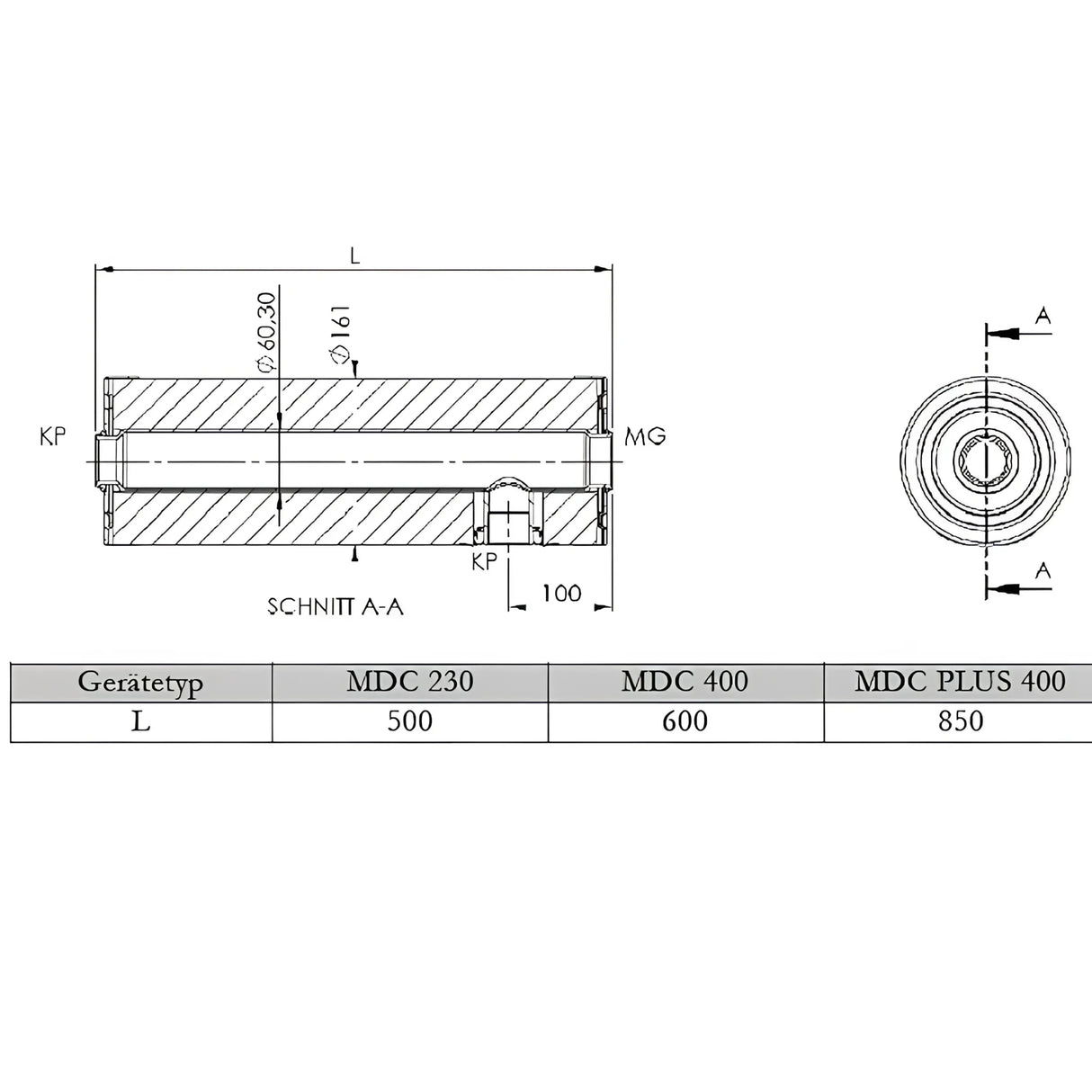
MDC mooduli tehnilised andmed
- Peale- ja tagasivooluühendus: 1 1/4" IG
- Kütteelemendi ühendus: 1 1/2" IG
- Maksimaalne lubatud töötemperatuur: 90 °C
- Maksimaalne lubatud töörõhk: 10 baari
- Korpuse materjal: seest töötlemata teras, väljast pulbervärvitud
- Korpuse isolatsioon: 50 mm polüuretaanvaht
- Väliskest: plastik, värvus: hall
- Minimaalne vooluhulk: 9,0 kW/514 l/h
- Sobiv küttekeha MDC400 Plus moodulile: 9,0 kW (400 V)
- MDC mooduli siseläbimõõt: 60 mm
- MDC400 Plus mõõtmed (läbimõõt x pikkus): 161 mm x 850 mm
Küttekasseti tehnilised andmed
- Küttevõimsus: 9 kW
- Temperatuuri reguleerimine: 5–75 °C
- Sisselülitushüsterees: 7–10 °C
- Paigalduspikkus: 735 mm
- Kütteta pikkus: 100 mm
- Ohutustemperatuuri piiraja: 93°C
- Ühendus: 1 1/2" väliskeere
- Kaitseklass: IPX4
- Maksimaalne töörõhk: 10 baari
- Väliskesta materjal: plastik, valge
- Küttespiraali materjal: sulam 825
- Toide: kolmefaasiline 400 V/16 A
- Kaabli pikkus: 1,5 meetrit
Tarnekomplekt
- MDC400P järelkütte moodul
- Elektriline küttekeha 9 kW
- Assamblee &Kasutusjuhend